Also In This Album

My Post Pictures (2) »
Dodgeray June 3, 2024
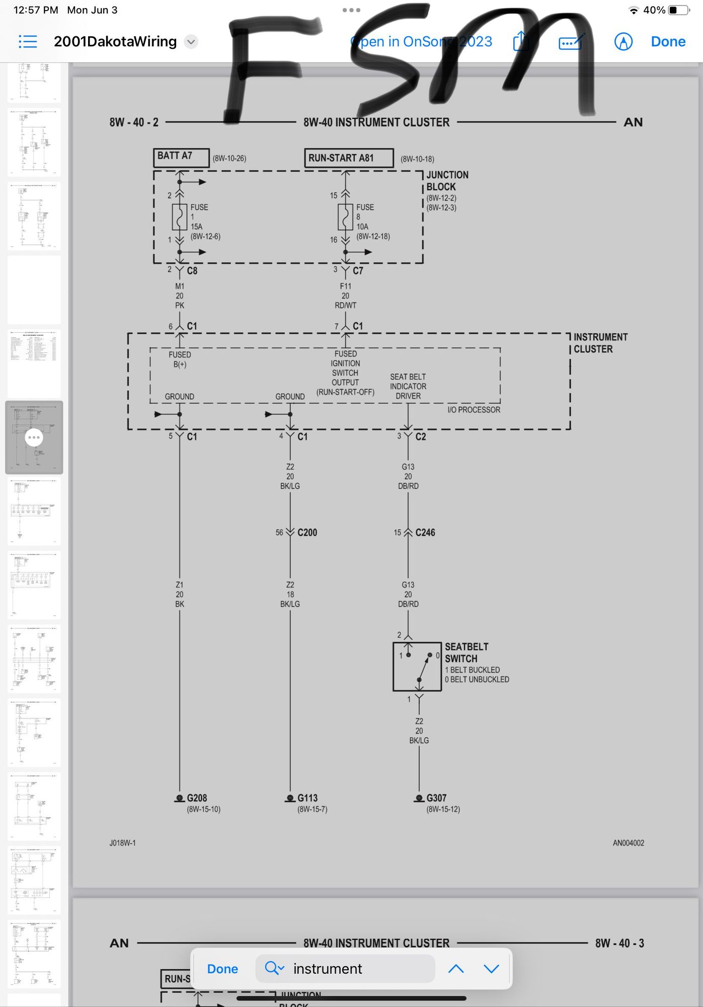
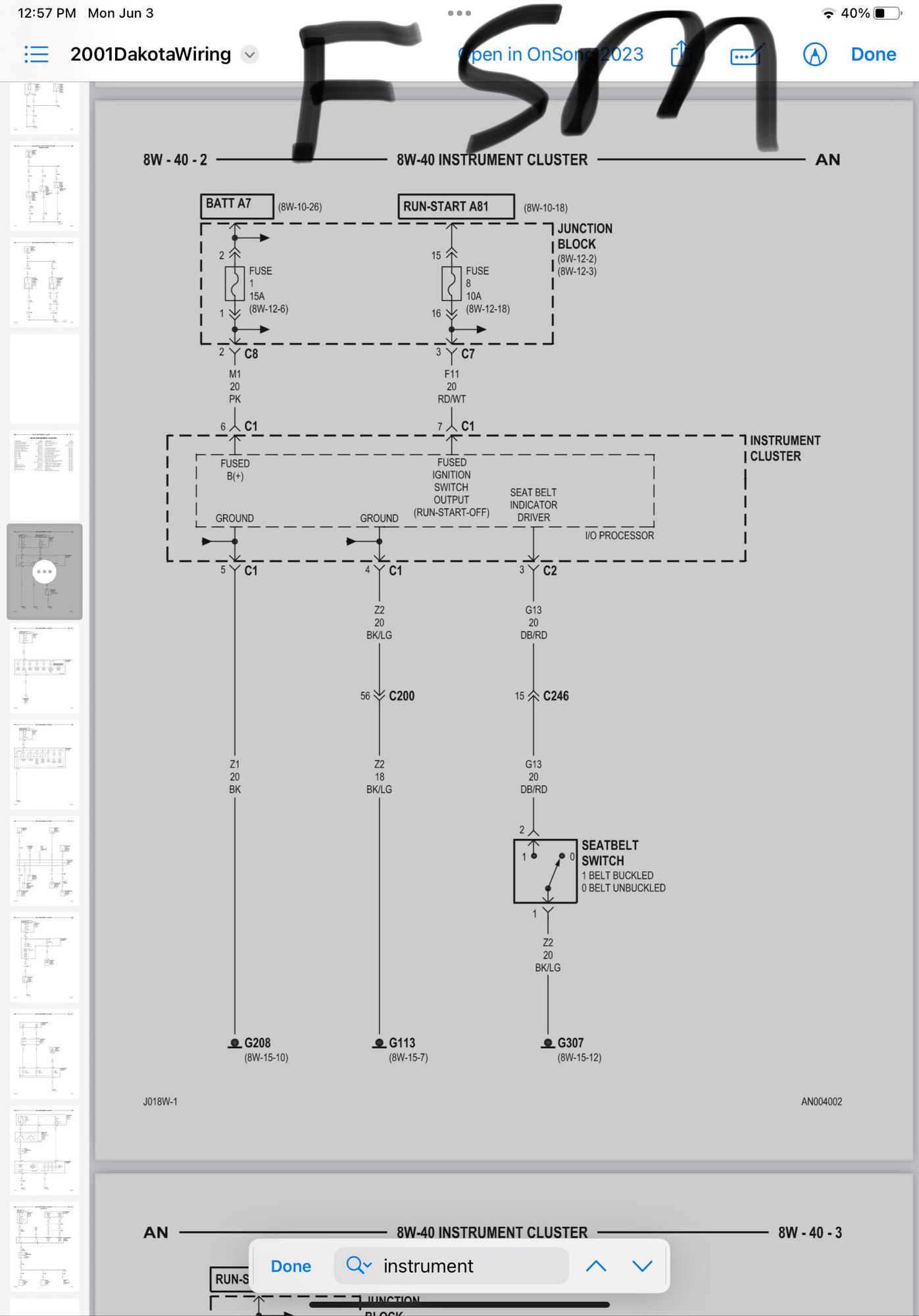
It’s accurate but if you’re tracing a circuit you will need to visit several different pages.

More About This Picture

Vehicle

N/A

Location

N/A

Keywords

N/A

Discover More Pictures

See More
Advertisement

Comments (0)

Please Register or log in to leave a comment.

Be the first to comment on this picture!