Also In This Album

My Post Pictures (42) »
SHO Rod February 3, 2025
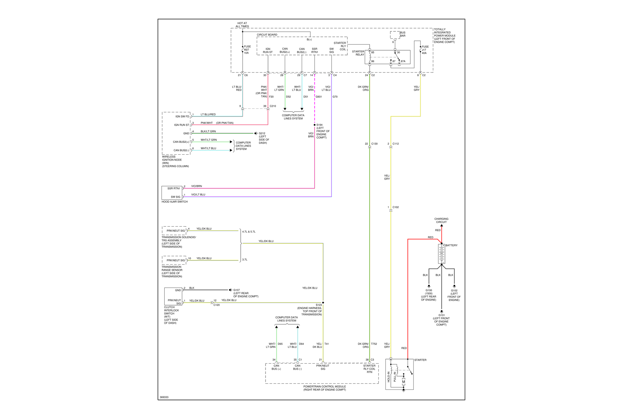
2011 Ram 1500 Starter circuit

More About This Picture

Vehicle

N/A

Location

N/A

Keywords

N/A

Discover More Pictures

See More
Advertisement

Comments (0)

Please Register or log in to leave a comment.

Be the first to comment on this picture!