2nd Gen Ram Tech 1994-2001 Rams: This section is for TECHNICAL discussions only, that involve the 1994 through 2001 Rams. For any non-tech discussions, please direct your attention to the "General discussion/NON-tech" sub sections.

Replacing electric mirrors

Thread Tools
 
Search this Thread
 
Old Mar 16, 2021 | 05:52 PM
  #1  
Robert Coffey's Avatar
Robert Coffey
Thread Starter
|
Registered User
Joined: Mar 2021
Posts: 2
Likes: 0
From: Texas
Default Replacing electric mirrors

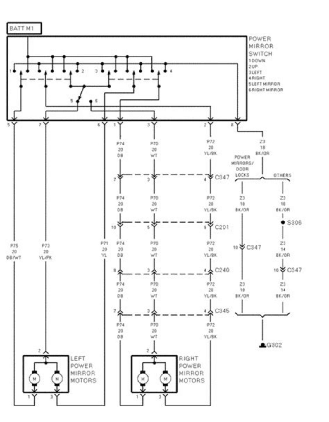
I am trying to replace my mirrors on my 1997 Dodge Ram 1500, I got a set of mirrors given to me off of a 2003 Dodge Durango, is there a way I can retro fit the 2003 mirrors onto my 1997 truck? I’ve seen wiring diagrams that the wires from the newer mirrors are up and left, common, defrost, day/night wires, and ground. My 1997 only has 3 wires, is there a way to hook up the new mirrors if it’s possible?

New mirror passenger

1997 power mirror wiring

New mirror driver
 
Reply
Old Mar 16, 2021 | 08:16 PM
  #2  
MoparFanatic21's Avatar
MoparFanatic21
Legend
Veteran: Marine Corps
10 Year Member
Liked
Loved
Joined: Nov 2014
Posts: 8,098
Likes: 318
Default

Defrost you can't use. You could use all the other wires. The day/night is usually just a power wire.
 
Reply
Old Mar 16, 2021 | 09:14 PM
  #3  
Robert Coffey's Avatar
Robert Coffey
Thread Starter
|
Registered User
Joined: Mar 2021
Posts: 2
Likes: 0
From: Texas
Default Heated mirrors

Originally Posted by MoparFanatic21
Defrost you can't use. You could use all the other wires. The day/night is usually just a power wire.

So I couldn’t just set up a relay and switch for the heated mirrors?
 
Reply
Old Mar 17, 2021 | 10:33 AM
  #4  
MoparFanatic21's Avatar
MoparFanatic21
Legend
Veteran: Marine Corps
10 Year Member
Liked
Loved
Joined: Nov 2014
Posts: 8,098
Likes: 318
Default

Originally Posted by Robert Coffey
So I couldn’t just set up a relay and switch for the heated mirrors?
You could but it would have to be a timed relay. They heated mirrors only come on for about 15 minutes before they shut off. The factory switch was in the HVAC control which was 98-02 and won't fit 95-97. That's not saying you can just add a switch, but if you don't use a timer relay you'll burn the heated grid up.
 
Reply




All times are GMT -4. The time now is 12:31 PM.