3rd Gen Dakota 2005 - 2011 Dodge Dakota Tech - The ultimate forum for technical help on the 3rd Gen Dakota.

2008 Dodge Dakota

Thread Tools
 
Search this Thread
 
Old Mar 11, 2024 | 11:58 AM
  #1  
James383's Avatar
James383
Thread Starter
|
Registered User
Joined: Mar 2024
Posts: 1
Likes: 0
Default 2008 Dodge Dakota

I have a 2008 dodge Dakota without a rear sway bar. I want to install one. Where and how does it mount to the truck itself?
 
Reply
Old Mar 11, 2024 | 04:06 PM
  #2  
HeyYou's Avatar
HeyYou
Administrator
Veteran: Air Force
Community Favorite
15 Year Member
Community Builder
Joined: Apr 2010
Posts: 87,401
Likes: 4,214
From: Clayton MI
Default

Welcome to DF. Moving this to third gen dak section for ya.
 
Reply
Old Mar 11, 2024 | 07:01 PM
  #3  
Hesselhoff's Avatar
Hesselhoff
Professional
5 Year Member
Joined: Mar 2018
Posts: 146
Likes: 17
Default

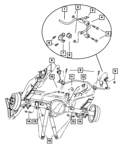
There are two brackets with a flat mounting surface welded onto the axle tubes. The bushings mount there with the arms of the sway bar pointed towards the rear of the vehicle. The sway bar end links will reach up to the mounting point on the frame of the truck. The 2008 didn't come with a rear sway bar, so when looking for parts try searching for 2005.

https://www.moparpartscanada.ca/v-20...and-components


 
Reply
Old Mar 13, 2024 | 05:00 PM
  #4  
rodslinger's Avatar
rodslinger
Veteran
20 Year Member
Joined: Sep 2005
Posts: 327
Likes: 27
From:
Default

The frame mounts for the end links aren't there on the 2008+ trucks. You'll have to drill a hole in the frame to pass a bolt through for the link mount. My truck is 20 miles away. When I get back to it I'll snap a picture of how I secured mine. (2011 Dakota with 2005 swaybar installed)
 
Reply
Old Mar 15, 2024 | 03:01 PM
  #5  
rodslinger's Avatar
rodslinger
Veteran
20 Year Member
Joined: Sep 2005
Posts: 327
Likes: 27
From:
Default 2008+ swaybar mount to frame.

I drilled a hole right below the bed mount on both sides and attached the links directly to the frame. The rear axle didn't change so the 2005-2007 axle brackets and bushings work fine.



 

Last edited by rodslinger; Mar 15, 2024 at 03:03 PM. Reason: I felt like it.
Reply




All times are GMT -4. The time now is 05:07 PM.