3rd Gen Durango 2011+ models

Driverside master control

Thread Tools
 
Search this Thread
 
Old Oct 12, 2023 | 08:49 AM
  #1  
Sav's Avatar
Sav
Thread Starter
|
Registered User
Joined: Oct 2023
Posts: 1
Likes: 0
Default Driverside master control

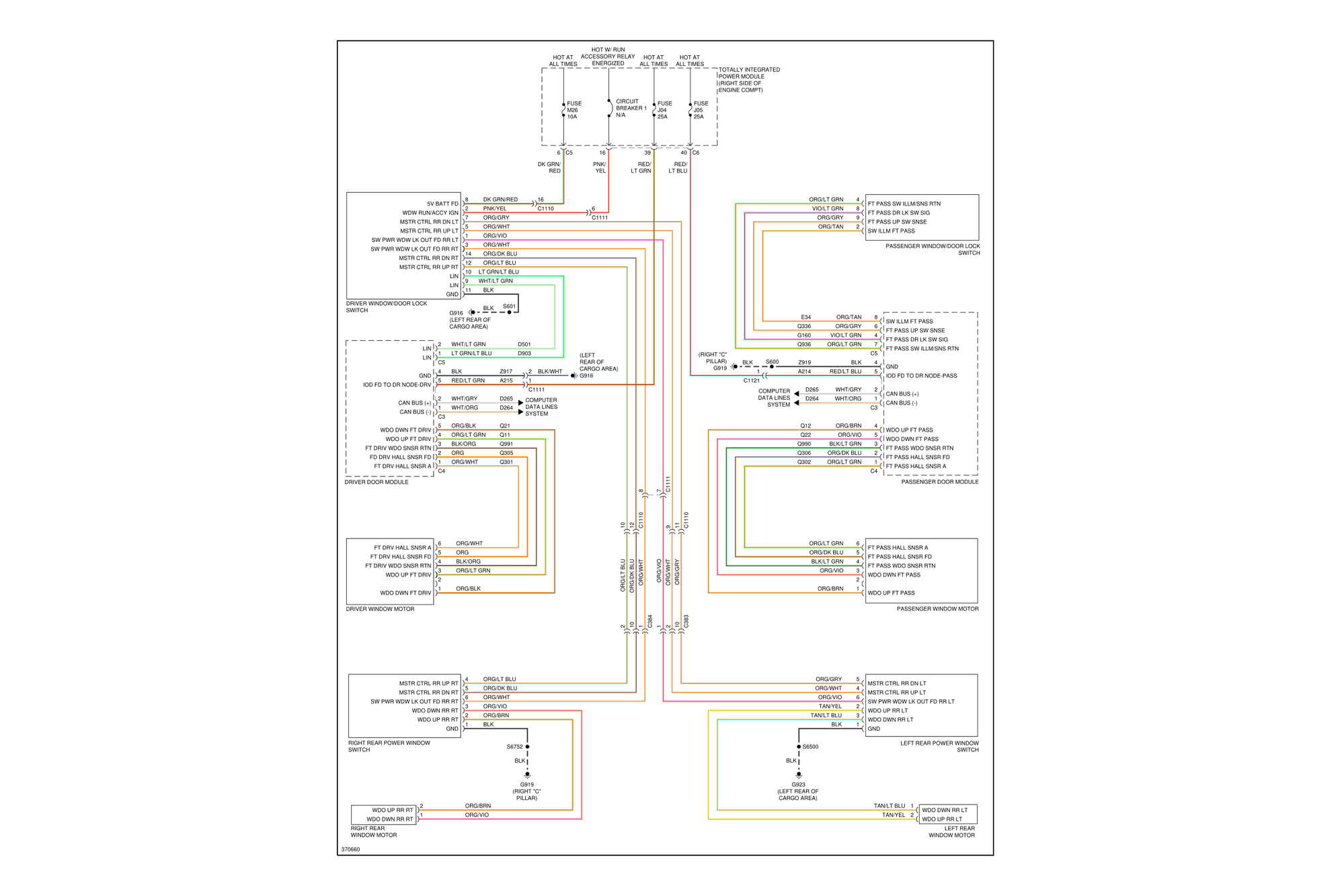
I was wondering if some could please tell me what color wire goes in what pin on driver side master control switch on 2012 Dodge Durango Sxt Thanks
​​​​​​
 
Reply
Old Oct 14, 2023 | 08:44 AM
  #2  
SHO Rod's Avatar
SHO Rod
Record Breaker
10 Year Member
Liked
Loved
Community Favorite
Joined: Feb 2015
Posts: 1,131
Likes: 55
From: Iowa
Default

I don't have a clean connector pinout list, but from the two attached wiring diagrams you should be able to get there.

-Rod


Master locks diagram

Master windows diagram
 
Reply




All times are GMT -4. The time now is 07:29 PM.