3rd Gen Durango 2011+ models

overheating

Thread Tools
 
Search this Thread
 
Old Dec 24, 2025 | 08:00 AM
  #1  
BudReed's Avatar
BudReed
Thread Starter
|
Registered User
Joined: Dec 2025
Posts: 1
Likes: 0
Default overheating

i have a 2013 3.6 Citadel that just started running hot while driving. It has the heavy duty cooling fan which is not turning on. There is power running to it. I plan on replacing it but am curious if there is anything else besides the fan motor that could be causing the issue.
 
Reply
Old Dec 24, 2025 | 10:04 AM
  #2  
HeyYou's Avatar
HeyYou
Administrator
Veteran: Air Force
Community Favorite
15 Year Member
Community Builder
Joined: Apr 2010
Posts: 87,506
Likes: 4,226
From: Clayton MI
Default

Several...... Bad thermostat, bad head gasket, mixing coolant types that causes gelling, clogged radiator, etc.
 
Reply
Old Dec 26, 2025 | 10:28 AM
  #3  
SHO Rod's Avatar
SHO Rod
Record Breaker
10 Year Member
Liked
Loved
Community Favorite
Joined: Feb 2015
Posts: 1,131
Likes: 55
From: Iowa
Default

The fan is not turning on, even when the temperature gauge suggests you're overheating? How high is the temperature gauge showing? Have you checked the coolant level to make sure that it's filled to the proper level? Have you done any recent maintenance to the cooling system that might have caused an air pocket?

I'm not real familiar with the wiring for the heavy duty cooling fan, but when you say there's power to it, is that after a relay or power to a relay, but maybe the relay is not getting triggered to apply power to the fan? Have you confirmed the fan has a good ground as well?

-Rod
 
Reply
Old Dec 26, 2025 | 10:40 AM
  #4  
SHO Rod's Avatar
SHO Rod
Record Breaker
10 Year Member
Liked
Loved
Community Favorite
Joined: Feb 2015
Posts: 1,131
Likes: 55
From: Iowa
Default

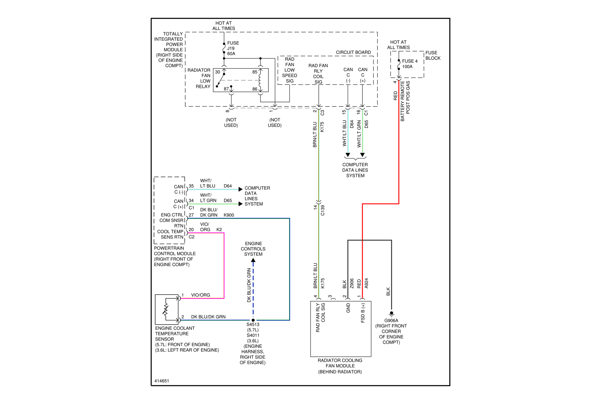
I found a wiring diagram for the radiator cooling fan for the Durango. Are you getting power to both the Red wire as well as the Brown/Light Blue wire when you think the fan should be turning on? If so, and the fan is not running, then it would seem likely either the relay is bad or the fan is bad. Does the Durango run hot when driving on the highway with air flowing through the radiator?

-Rod

2013 Durango Citadel radiator cooling fan circuit
2013 Durango Citadel radiator cooling fan circuit
 
Reply




All times are GMT -4. The time now is 06:38 PM.