New Member Area New to DF? Stop in tell us about yourself and your ride. Please post technical questions in the tech sections.

fuse 33 on 08 2.7L

Thread Tools
 
Search this Thread
 
Old Mar 3, 2025 | 01:30 PM
  #1  
08sebring's Avatar
08sebring
Thread Starter
|
Registered User
Joined: Mar 2025
Posts: 1
Likes: 0
Default fuse 33 on 08 2.7L

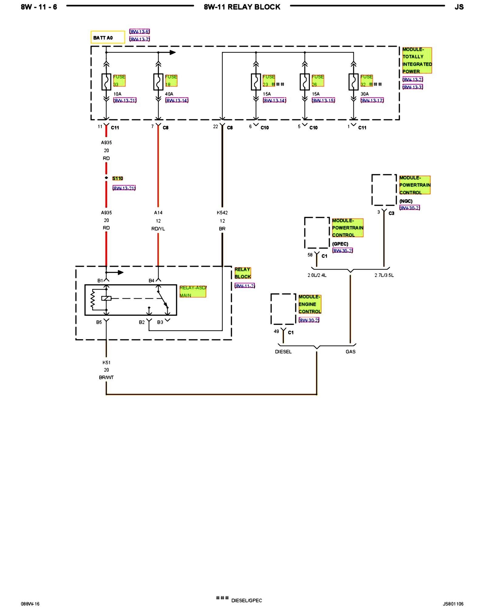
Hello, new user here and seeking some help. I have a 2008 Chrysler, 2.7L. Recently had all the o2 sensors replaced. ( not sure if that is related to my issue. I picked the car up from the shop and 30 minutes into my drive the car died. Fuse #33 blew. It is a battery feed-switchbox/data link connection/pcm. With the key in on position and engine off fuse does not blow. Start the engine and 3 to 5 seconds of running it blows. It is a 10amp fuse. I know it wasn't a smart idea to do this but I tried a 15amp fuse and it blew. A 20amp fuse does not blow, Should I be looking for a bad ground connection, a wire shorting to ground or a component issue?
Any help is appreciated


 
Reply
Old Mar 3, 2025 | 02:37 PM
  #2  
jkeaton's Avatar
jkeaton
DF Admin
15 Year Member
Photogenic
Photoriffic
Liked
Joined: Apr 2010
Posts: 28,217
Likes: 367
From: Winston Salem, NC
Default

Welcome!
 
Reply
Old Mar 3, 2025 | 03:53 PM
  #3  
HeyYou's Avatar
HeyYou
Administrator
Veteran: Air Force
Community Favorite
15 Year Member
Community Builder
Joined: Apr 2010
Posts: 87,535
Likes: 4,229
From: Clayton MI
Default

Check out the wiring diagrams here. They look different than what you have there... It seems fuse 33 power several relays.....
 
Reply




All times are GMT -4. The time now is 12:36 PM.