3rd Gen Ram Tech 2002-2008 Rams: This section is for TECHNICAL discussions only, that involve the 2002 through 2008 Rams Rams. For any non-tech discussions, please direct your attention to the "General discussion/NON-tech" sub sections.

2005 2wd to 4wd (I know..READ)

Thread Tools
 
Search this Thread
 
Old Oct 8, 2022 | 03:33 PM
  #1  
BaldDave's Avatar
BaldDave
Thread Starter
|
Registered User
Joined: Oct 2022
Posts: 3
Likes: 0
Default 2005 2wd to 4wd (I know..READ)

Hey guys, I'm new to the forum. I've had a Dodge before but it was like a 98 Dodge Dakota then sold it two years later because it wasn't four-wheel drive
So that's my experience with Dodges. Not much so long story short, my father who is terminally ill has given me his 2005 Dodge ram V8 4.7 l yeah great condition. You know he hasn't driven it much or anything. Think it's about 60,000 original miles. Only problem is you know I want to keep the truck obviously for sentimental reasons but where I live two-wheel drive trucks really don't do much for me so I'd like to convert that to a four-wheel drive so that I can actually use it for more than run into the grocery store or the hardware store. So I'm not overly concerned as far as price or resale value cuz I'm probably never sell the vehicle you know. Honestly you know I plan on driving it and if the engine died engine and transmission go then I'll just put a new engine and transmission and it's more of a sentimental thing you know. What all am I looking at? You know I know I can just go to a junkyard and buy a wrecked. You know third gen 4x4 and you know do a body swap but if I work to do that or weren't able to find that does anybody? Does anyone actually done this and have like a list of what all I would need to scavenge from different vehicles if there is in the complete one of the junkyard?
 
Reply
Old Oct 8, 2022 | 08:36 PM
  #2  
HeyYou's Avatar
HeyYou
Administrator
Veteran: Air Force
Community Favorite
15 Year Member
Community Builder
Joined: Apr 2010
Posts: 87,409
Likes: 4,214
From: Clayton MI
Default

Being IFS makes the conversion a lot trickier.... I would expect if you don't just flat out swap the frames..... trying to transfer the front axle and such to a 2wd frame would be a major undertaking.....
 
Reply
Old Oct 8, 2022 | 11:53 PM
  #3  
Magnoom's Avatar
Magnoom
Record Breaker
Veteran: Navy
Veteran: Coast Guard
5 Year Member
Community Favorite
Joined: Apr 2019
Posts: 1,680
Likes: 262
Default

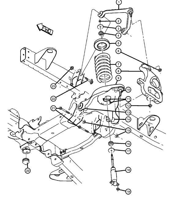
Hope you're up for fab work.....2005 2wd uses basic coil springs with shocks. 2005 4wd uses IFS sprung by torsion bars. Attachment points are all different, steering is different, etc etc. Since you're asking HERE, what I should have said was "I hope you're up for paying someone for fab work".
2wd vs 4wd:



 
Reply
Old Oct 9, 2022 | 09:41 AM
  #4  
BaldDave's Avatar
BaldDave
Thread Starter
|
Registered User
Joined: Oct 2022
Posts: 3
Likes: 0
Default hmm

Ok.. I would mainly use the truck for 1)Snow and 2) moving stuff I cant in a car.. So With that being said and I am in the mid atlantic states so.. we can get some good snows.. Never drove a 2WD Truck in the snow.. I recall seeing about getting some other rear end for it and obviously putting some weight over the axle.. but I cant seem to find if that was a good option or what rear...

What would you do for Snow driving in the 2WD?


Originally Posted by Magnoom
Hope you're up for fab work.....2005 2wd uses basic coil springs with shocks. 2005 4wd uses IFS sprung by torsion bars. Attachment points are all different, steering is different, etc etc. Since you're asking HERE, what I should have said was "I hope you're up for paying someone for fab work".
2wd vs 4wd:


 
Reply
Old Oct 9, 2022 | 09:43 AM
  #5  
HeyYou's Avatar
HeyYou
Administrator
Veteran: Air Force
Community Favorite
15 Year Member
Community Builder
Joined: Apr 2010
Posts: 87,409
Likes: 4,214
From: Clayton MI
Default

Limited slip differential. Check your options, you may already have one.
 
Reply
Old Oct 9, 2022 | 09:48 AM
  #6  
BaldDave's Avatar
BaldDave
Thread Starter
|
Registered User
Joined: Oct 2022
Posts: 3
Likes: 0
Default

Yeah.. I am about to go through it and do all the maintenance he has not driven it in about 7-8 months and prior to that I know he religiously did the Oil, but I always did everything else for him and he had not asked me to do any brakes, plugs, etc in some time.. it has relatively low miles so I dont expect much.. I do know I have to replace the blower motor for the 2nd time now..
 
Reply
Old Oct 11, 2022 | 11:54 AM
  #7  
Magnoom's Avatar
Magnoom
Record Breaker
Veteran: Navy
Veteran: Coast Guard
5 Year Member
Community Favorite
Joined: Apr 2019
Posts: 1,680
Likes: 262
Default

Limited slip and good tires....been driving the same 2wd truck in the snow since 2006 lol, plus when I was a kid there was no one around me had an AWD or FWD cars, so it was all front engine, V8 or inline 6 rear drive vehicles. PRACTICE. Get a lighter snow (maybe coupla inches) and go to a big empty parking lot and practice.
 
Reply
Old Oct 11, 2022 | 12:38 PM
  #8  
HeyYou's Avatar
HeyYou
Administrator
Veteran: Air Force
Community Favorite
15 Year Member
Community Builder
Joined: Apr 2010
Posts: 87,409
Likes: 4,214
From: Clayton MI
Default

Originally Posted by Magnoom
Limited slip and good tires....been driving the same 2wd truck in the snow since 2006 lol, plus when I was a kid there was no one around me had an AWD or FWD cars, so it was all front engine, V8 or inline 6 rear drive vehicles. PRACTICE. Get a lighter snow (maybe coupla inches) and go to a big empty parking lot and practice.
That's how I taught my kids to drive in snow..... The mall parking lot is HUGE, and generally pretty empty... LOTS of space to recover if you screw up.
 
Reply




All times are GMT -4. The time now is 01:57 AM.